
Y-153B-FZ不锈钢耐震压力表0-16MPa轴向带边型简介
Y-B系列全不锈钢压力表广泛应用于石油,化工,化纤,冶金,电站等工业部门对耐蚀,抗振要求较高的工艺流程中测量各种介质的压力,上海自动化仪表四厂生产的Y-153B-FZ不锈钢耐震压力表0-16MPa轴向带边型,采用全不锈钢材料制成,仪表具有整体机构设计合理,工艺精致,有较高的测量精确度和持久的稳定性,不仅在国内被广泛应用,而且可提供出口,尤其为国内用户对引进国外先进技术装备中的同类仪表实现国产化的理想配套产品。
Y-153B-FZ不锈钢耐震压力表0-16MPa轴向带边型主要技术参数
◆精确度等级:1.6级,也可为1级
◆测量范围:0-16MPa(0~0.06、0.1、0.16、0.25、0.4、0.6、1、1.6、2.5、4、6、10、16、25、40、60或-0.1~0、0.06、0.15、0.3、0.5、0.9、1.5、2.4MPa范围可选)也可做成其它压力单位
◆接头螺纹:M20*1.5或其它
◆表壳材质:0Cr18Ni9(304)
◆接头材质:0Cr18Ni9(304)或0Cr17Ni12Mo2(316)
◆弹簧管材质:0Cr17Ni12Mo2(316)
◆使用环境温度:-25~70℃(外壳内充液)
◆温度影响:不大于0.4%/10℃(使用温度偏离20±5℃)
◆抗工作环境振动:V·H·4(外壳内充液)
◆外壳防护等级:IP65
◆重量:约1.4Kg
全不锈钢压力表结构原理
由导压系统(包括接头、弹簧管、限流螺钉等)、齿轮传动机构、示数装置(指针与度盘)和外壳(包括表壳、表盖、表玻璃等)所组成。外壳为气密型结构,能有效地保护内部机件免受环境影响和污秽侵入。对于在外壳内充液(一般为硅油或甘油)的仪表,能够抗工作环境振动较剧和减少介质压力的脉动影响。
全不锈钢压力表使用选型

型号举例:
Y-150B-F表示表盘直径为150mm的径向型耐腐蚀全不锈钢压力表
Y-150B-FZ表示表盘直径为150mm的径向型耐腐蚀抗振全不锈钢压力表
Y-153B-F表示表盘直径为150mm的轴向型带边或不带边耐腐蚀全不锈钢压力表
Y-153B-FZ表示表盘直径为150mm的轴向型带边或不带边耐腐蚀抗振全不锈钢压力表
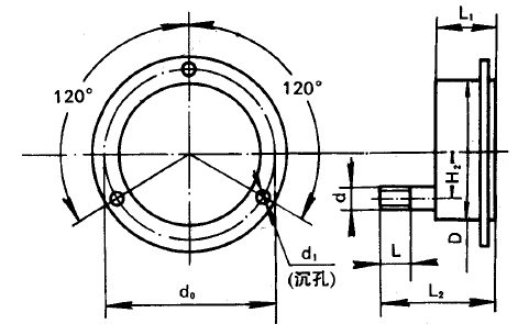
全不锈钢压力表安装图片
Y-153B-FZ不锈钢耐震压力表0-16MPa轴向带边型
D=150mm d=165mm d1=5.8mm L=20mm
L1=50mm L2=98mm H2=60mm
d=M20*1.5;G1/2″;ZG1/2″(NPT)等



客服1